产品介绍
SD6710B LCD壁挂式温湿度显示仪为RS485总线式温湿度显示仪,采用RS485接口,标准MODBUS-RTU协议,可实现多点同时监测,组网并远传。
本产品可应用于(1) 通讯基站档案库 (2) 仓库(3) 实验室(4) 工厂,车间,机房(5) 博物馆,档案室,图书馆(6) 医院(7) 宾馆酒店,生活小区 (8) 石油化工基地(9) 发电厂,核电站,变电站(10) 农业研究基地,卫生防疫站,环保部门等其它需要监测温湿度的各种场合等。
为便于工程组网及工业应用,本模块采用工业广泛使用的MODBUS-RTU通讯协议,支持二次开发。用户只需根据我们的通讯协议即可使用任何串口通讯软件实现模块数据的查询和设置。
技术参数及特点
参数
技术指标
显示测温范围
-30℃~+85℃
传感器标称测温精度
±0.3℃(@25℃)
显示测湿范围
0~100%RH
传感器测湿精度
±3%RH(@25℃)
波特率
9600(2400,4800,9600,19200,38400可自行设置)
通讯端口
RS485
供电电源
总线供电,DC12V-24V
耗电
<2W
存储温度
-30~85℃
外形尺寸
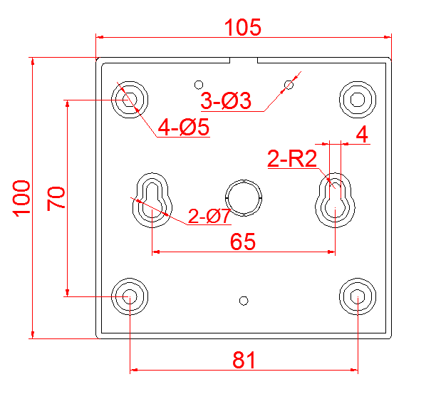
见尺寸图
按键与设置

如图所示,产品上有4个键,按键可以用以设置设备地址及波特率等。
按键
功能
操作说明
SET
进入设置模式
长按两秒进入设置,密码正确后按ENTER顺序进入:
1输入密码 2波特率及设备地址设置; 3温度上下限设置;
4湿度上下限设置; 5正常显示状态,此状态时其它按键无效
▲
增大
1增大密码值
2波特率设置时: 每按1次按由小到大顺序切换2400,4800,9600,19200,38400五种波特率,9.6表示9600
3设备地址设置时:增大地址
4温度上下限设置时:增大设置的报警温度值
5湿度上下限设置时:增大设置的报警湿度值
▼
减小
1减小密码值
2波特率设置时: 减小波特率
3设备地址设置时:减小地址
4温度上下限设置时:减小设置的报警温度值
5湿度上下限设置时:减小设置的报警湿度值
ENTER
换行设置
1密码正确进入波特率地址设置,密码错误回到正常显示状态
1波特率及设备地址设置时:设备地址设置或波特率设置
2温度上下限设置时:温度上限设置或温度下限设置
3湿度上下限设置时:湿度上限设置或湿度下限设置
接线
产品直接插上电源供电或后背引线接电源

产品背面有4个接线座,其引脚定义如下表所示
引脚
说明
备注
V+
此引脚为电源正极,电源范围为12-24V
宽电源供电
V-
此引脚为电源负极
B-
此引脚为RS485 B-
A+
此引脚为RS485 A+
外形尺寸

09
09
2021
SD6710B LCD温湿度显示仪
来源:[上海搜博实业有限公司]
联系人:郭先生
手机:13918126020
电话:21-61374977
传真:21-61374976
QQ:71182854
Email:sale@sonbest.com
地址:上海上海市闸北区中山北路198号1901室
品牌:SONBEST
价格:面议
元/台
供应地:上海上海市
产品型号:SD6710B

