联系人:熊女士
手机:18926002066
电话:0755-86679890
传真:0755-86679890
QQ:2575348595
Email:gkt_sz@163.com
地址:广东省深圳市深圳市深圳市南山高新区科技南八路豪威科技大厦13F
品牌:德州仪器
价格:面议
元/片
供应地:广东省深圳市
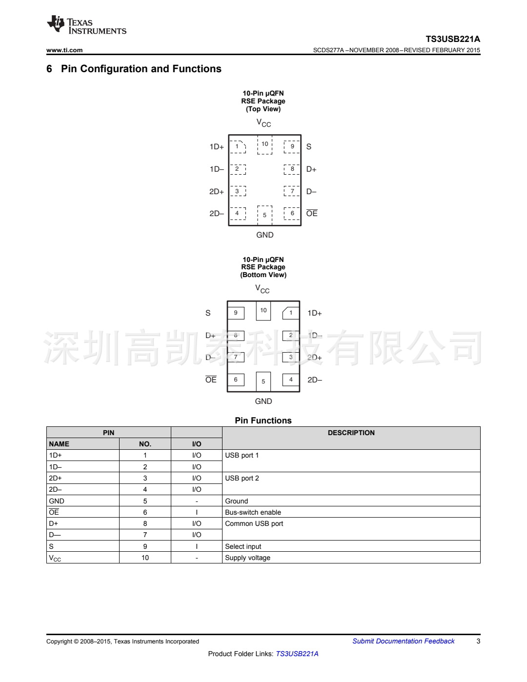
产品型号:TS3USB221ARSER
产品描述:
TS3USB221A器件是一款高带宽开关,专为手机和消费电子应用中的高速USB 2.0信号切换而设计,例如手机、数码相机和带有集线器或有限USB I/o控制器的笔记本电脑。该开关的宽带宽(900 MHz)允许信号以最小的边沿和相位失真通过。该器件将USB主机设备的差分输出多路复用至两个相应输出之一。该开关是双向的,对输出端的高速信号几乎没有衰减。该器件还具有低功耗模式,可将电池供电或功耗预算有限的便携式应用的功耗降至1 pA。该器件设计用于低比特偏斜和高通道间噪声隔离,并兼容各种标准,如高速USB 2.0 (480 Mbps)。
TS3USB221A器件在所有引脚上集成了ESD保护单元,采用小型pQFN封装 (2毫米× 1.5毫米),其特征在于自由空气温度范围为–40℃至85 ℃。




























